P18JF07 Gear Oil Pump
- Nominal displacement: 10 displacements are provided: 22mL/r、26mL/r、33mL/r、39mL/r、44mL/r、52mL/r、61mL/r、71mL/r、78mL/r、87mL/r,customizable.
Use And Characteristics
① High strength aluminum alloy shell;
② Light weight, compact structure and low noise;
③ Accurate and meticulous structural design makes the oil pump have high volumetric efficiency and high mechanical efficiency;
④ Wide application range
Model Description

① Code name
② Classification code
③ Pressure grade (F: 20MPa)
④ Nominal displacement (mL/r)
⑤ Rotation direction S: left-handed; D: Dextral
⑥ Axial extension and flange [see appendix]
⑦ Oil port form [see appendix]
⑧ Front and rear cover materials
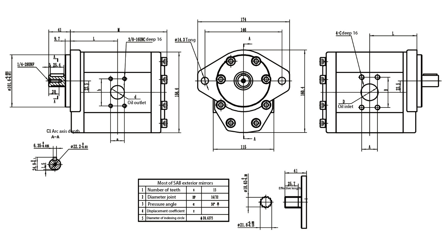
Outline Drawing

Performance Parameters


